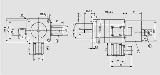
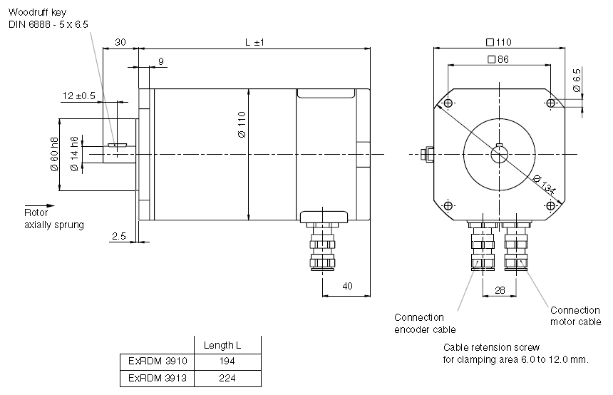
Robotické systémy

a elektrické pohony pro automatizaci

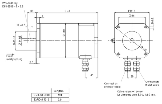
Krokové motory