Robotické systémy

a elektrické pohony pro automatizaci

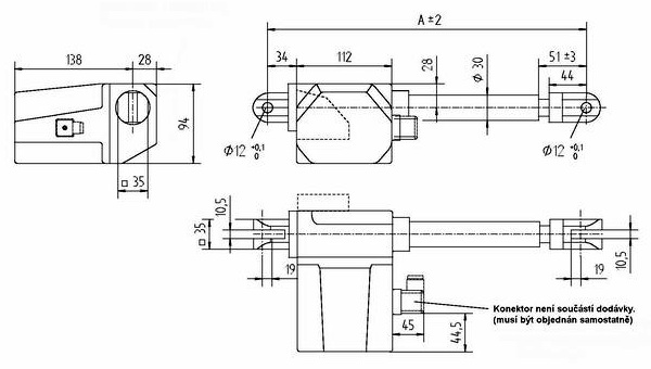
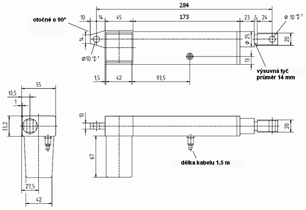
Aktuátory