Robotické systémy

a elektrické pohony pro automatizaci

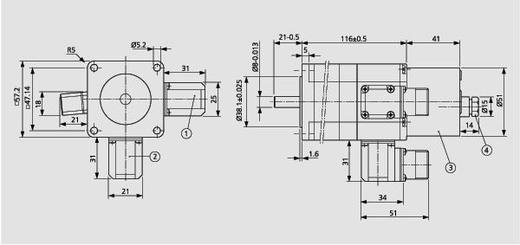
Krokový motor VRDM 368 :

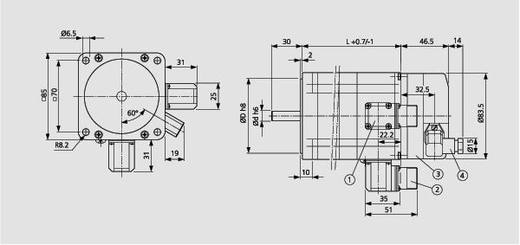
Krokové motory VRDM 397, VRDM 3910, VRDM 3913 :

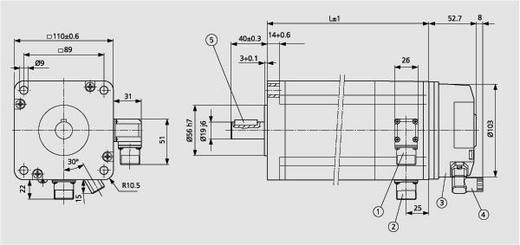
Krokové motory VRDM 31117, VRDM 31122 :

Legenda :

(1) Konektor enkodéru
(2) Konektor motoru
(3) Brzda
(4) Konektor brzdy
(5) Pero dle DIN6885

Poznámka :
brzda a enkodér jsou volitelné vybavení motoru

Typ motoru

Rozměr
příruby

(mm)

D = průměr
centrování

(mm)

L = délka
motoru

(mm)

d = průměr
hřídele

(mm)

Provedení
hřídele

VRDM 368

57,2 x 57,2

38,1

116

8

hladká

VRDM 397
VRDM 3910
VRDM 3913

85 x 85

60

110
140
170

12
12
14

hladká

VRDM 31117
VRDM 31122

110 x 110

56

180
228

19
19

Pero
A6 x 6 x 25