Robotické systémy

a elektrické pohony pro automatizaci

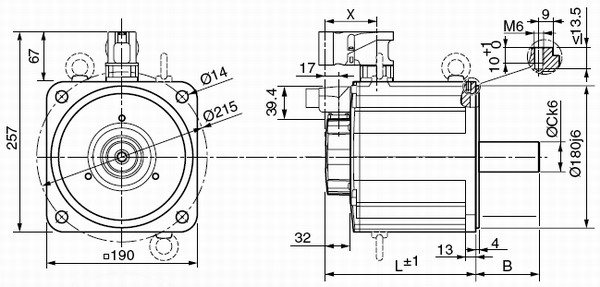
Servomotor BMH 190

Servomotor BMH190 drawing

 

Typ motoru

L = délka motoru
[mm]

B
[mm]

fC
[mm]

.
BMH 190 1
BMH 190 2
BMH 190 3

bez brzdy
190
250
310

s brzdou
248
308
368

.
80
80
80

.
38 k6
38 k6
38 k6